洁净手术室华体会(中国)气体管道连接说明
2023-11-01
标久华体会(中国)
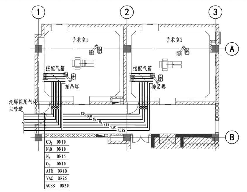
医院洁净手术室华体会(中国)气体一般配置氧气、压缩空气、真空吸引、二氧化碳笑气、氮气及麻醉废气排放等气体,也可以根据具体需要调整华体会(中国)气体的种类配置,每种气体都需要独立的气体传输管道,根据华体会(中国)气体工程技术规范GB50751-2012规定,华体会(中国)气体管道可采用无缝脱脂不锈管和无缝脱脂铜管。

手术室区域各类华体会(中国)气体单口供气压力 (MPa):
氧气:0.40~0.45
笑气:0.40-0.45
真空吸引:-0.03~-0.07
二氧化碳:0.35~0.40
压缩空气:0.40~0.45
氮气:0.90-0.953

末端接入吊塔及配气箱支管道一般采用紫铜管,
| 医气名称 | 管道直径 |
| 氧气 | 8-10mm |
| 压缩空气 | 8-10mm |
| 真空吸引 | 10-12mm |
| 氮气 | 10-12mm |
| 笑气 | 8-10mm |
| 二氧化碳 | 8-10mm |
| 麻醉废气 | 10-12mm |

主管道可根据用气点总数量设计满足100%使用场景下的管道管径,华体会(中国)气体管道与其他管道问距应满足《华体会(中国)气体工程技术规范》GB 50751-2012中表5.110的要求,洁净手术室华体会(中国)气体总管,应设置区城报警箱、二级减压箱及阀门等设备。
