华体会(中国)气体工程施工设计方案
华体会(中国)气体工程是指医疗用气的系统工程,主要有华体会(中国)气体供应站,华体会(中国)气体管道和设备、医疗气体末端病房设备几部分组成,常用的华体会(中国)气体包括中心供氧系统的华体会(中国)氧气,华体会(中国)真空负压吸引,华体会(中国)压缩空气,以及华体会(中国)氮气、华体会(中国)二氧化碳、华体会(中国)笑气和华体会(中国)废气排放系统等。主要应用于各类医院、卫生院、社区卫生服务中心、医养结合养老院、老年公寓、宠物医院等医疗场所。以下以某三甲医院华体会(中国)气体工程设计与施工说明为例,给大家深度解读关于华体会(中国)气体工程涉及到的各方面问题。

一、华体会(中国)气体设计说明
1.设计依据
1.1 已批准的初步设计文件;
1.2 建设单位 提供的设计任务书及设计要求
1.3 相关专业提供的工程设计资料;
1.4 《中华人民共和国特种设备安全法》;
《市场监管总局关于特种设备行政许可有关事项的公告》(2019年第3号);
《特种设备生产和充装单位许可规则》TSG 07-2019;
《压力管道规范 工业管道》(GB20801.1-2020;GB20801.2~6-2006);
《工业金属管道设计规范》GB5050316-2000(2008年版);
《华体会(中国)气体工程技术规范》(GB50751-2012)
《建筑设计防火规范》GB50016-2014(2018版);
《氧气站设计规范》GB50030-2013;
《压缩空气站设计规范》GB50029-2014;
《深度冷冻法生产氧气及相关气体安全技术规程》GB16912-2008;
《建筑机电工程抗震设计规范》GB 50981-2014
2. 项目概况
本项目为北京某三家医院3#住院楼项目的华体会(中国)气体设计。包括普通区氧气管道系统、生命支持区氧气管道系统、普通区真空吸引管道系统、生命支持区真空吸引系统、医疗压缩空气管道系统系统设计。普通区氧气管路由院区液氧站提供、生命支持区氧气由院区氧气汇流排提供;真空吸引系统由院区真空汇提供;医疗压缩空气系统由院区制氧站提供。
3. 设计参数
3.1 设计耗量:
3.1.1 普通区氧气系统氧气耗量为29.2m3Ih,终端工作压力为0.40~0.50MPa。
3.1.2 生命支持区氧气系统氧气耗量为12.6m3Ih,终端工作压力为0.40~0.50MPa。
3.1.3 普通区真空吸引系统耗量为84.1m3Ih,终端工作压力为-0.04~-0.087MPa。
3.1.4 生命支持区真空吸引系统耗量为66.6m3Ih,终端工作压力为-0.04~-0.087MPa。
3.1.5 医疗压缩空气耗量为60.6m3Ih,终端工作压力为0.40~0.50MPa。
3.2 管道设计压力
3.2.1 氧气管道系统设计压力为0.9MPa,设计温度为45°C。
3.2.2 真空吸引管道系统设计压力为-0.10MPa,设计温度为45°C。
3.2.3 医疗压缩空气管道系统设计压力为0.90MPa,设计温度为45°C。
二、华体会(中国)气体工程管道安装施工验收说明
1. 施工应遵循的标准及规范
管道的安装除应遵循上述设计依据所列的标准、规范外,还应遵循下列中华人民共和国现行的主要标准及规范:
《工业金属管道工程施工规范》GB50235-2010;
《工业金属管道工程施工质量验收规范》GB50184-2011;
《现场设备、工业管道焊接工程施工规范》GB50236-2011;
《现场设备、工业管道焊接工程施工质量验收规范》 GB50683-2011;
《工业管道的基本识别色、识别符号和安全标识》GB7231-2003;
《石油化工设备和管道涂料防腐蚀技术规范》SH/T 3022-2011;
《承压设备无损检测》(NB/T4703.14-2016,NB/T47013.1~6,10~13-2015,NB/T47013.7~9-2012);
2. 管子及管件的选用应按设备材料表中的规定备料。
3. 管道、管件、阀门及材料等应有制造厂产品质量合格证书、产品性能试验报告和设备说明书,进口设备还应有商检合格证并应与设计文件、图纸的要求相一致。当有出入时,应取得设计、监理和业主的认可。
4. 管道安装中必须严格按照设计图纸进行施工,若有改动,必须经设计院同意。
5. 本《设计与施工说明》与设计图纸具有同等效力,若二者有矛盾时,业主及施工单位应及时提出,并以设计单位解释 为准。
6. 输送流体用的不锈钢无缝钢管应符合现行国家标准《流体输送用不锈钢无缝钢管》GB/T14976-2012的规定。材料性能不应低于06Cr19Ni10奥氏体不锈钢,管材规格应符合国家规范《无缝钢管尺寸、外形、重量及允许偏差》GB/T17395-2008的给有关规定。
7. 输送流体用铜管应符合现行国家标准《华体会(中国)气体和真空无缝铜管》YS/T 650-2007的规定。
8. 管道的连接均采用焊接,铜管与钢管之间连接采用银钎焊,焊丝型号为HAG-45B,铜管与铜管之间连接采用氮气保护焊,焊丝型号为S201,不锈钢管之间连接采用氩弧焊焊接,焊丝型号H0Cr21Ni10,焊件坡口V型,技术要求按《现场设备、工业管道焊接工程施工规范》GB/50236-2011;
9. 医气管道主干管均采用输送流体用不锈钢管,进入病房内的支管均采用铜管。
10. 氧气管道严禁采用折皱弯头,采用不锈钢压制弯头时,弯曲半径不应小于管外径。氧气管道的变径管,采用无缝或压制焊接件,当焊接制作时,变径部分长度不宜小于两端管外径差的3倍,其内壁应平滑,无锐边,毛刺及焊瘤,氧气管道的分岔头,采用无缝或压制焊接件。
11. 氧气管道的弯头,分岔头,不应紧接安装在阀门的下游,阀门的下游侧宜设长度不小于管外径5倍的直管段。
12. 氧气管道的连接,应采用焊接,但与设备和阀门连接处可采用法兰或丝扣连接,丝扣连接处应采用一氧化铅,水玻璃或聚四氟乙烯薄膜作为填料,严禁用涂铅红的麻或棉丝,或其他含油脂的材料。
13. 与华体会(中国)气体接触的阀门、密封元件、过滤器等管道或附件,其材料与相应气体不得产生有火灾危险、毒性或腐蚀性危害的物质。
14. 氧气阀门的密封填料,应采用石墨处理过的石棉或聚四氟乙烯材料,或膨胀石墨。
15. 氧气管道,阀门及管件等,应当无裂纹,磷皮,夹渣等,接触氧气的表面必须彻底除去毛刺,焊瘤,焊渣,粘砂,铁锈和其他可燃物等,保持内壁光滑清洁,管道的除锈应进行到出现本色为止。
16. 华体会(中国)气体及真空管道、阀门、管件、仪表、垫片及其他附件都必须脱脂,对黑色及有色金属的脱脂件,宜采用无机溶剂脱脂,石棉垫片等,脱脂后宜用紫外线检查法或溶剂分析法进行检查,达到合理标准为止,脱脂合格后的管道,应及时封闭管口并应充入干燥氮气,且应避免残存的脱脂介质与氧气形成危险的混合物。脱脂应按HG20202-2014《脱脂工程施工及验收规范》进行。
17. 华体会(中国)气体管道阀门应使用铜或不锈钢的等通径阀门,需焊接连接的阀门两端应带有预制的连接用短管。压缩空气管道阀门采用截止阀或球阀。氧气管道不允许采用快开式阀门,应采用氧气专用截止阀。真空气体管道采用真空阀。
18. 气体安全阀应采用经过脱脂处理的铜或不锈钢的密闭型全启式安全阀,并应符合现行国家标准TSG ZF001-2006《安全阀安全技术监察规程》的有关规定。气体减压阀应采用经过脱脂处理的铜或不锈钢减压阀,并应符合现行国家标准《减压阀 一般要求》GB/T12244-2006。
19. 设备自带阀门及仪表,设备材料表中未作统计。
20. 阀门安装应符合现行国家标准GB50235-2010《工业金属管道工程施工规范》的规定,所有阀门的安装位置及手轮方向应考虑操作方便。阀门一般离地面或楼面约1.2~1.4米; 压力表安装高度一般离地面约1.4~1.6米,便于操作人员观察,且应有盘管 管道连接,仪表接口公称直径不应小于15mm。
21. 华体会(中国)气体、真空管道,阀门,管件,仪表在安装过程中及安装后,应采取有效措施,防止受到油脂污染,防止可燃物,铁屑,焊渣,砂土及其他杂物进入或遗留。
22. 医疗房间内的华体会(中国)气体管道应做等电位接地;华体会(中国)气体的汇流排、切换装置、各减压出口、安全放散口和输送管道均应做防静电接地,华体会(中国)气体管道接地间距不应超过80m,且不应少于一处,室外埋地华体会(中国)气体管道两端应有接地点,除采用等电位接地外宜为独立接地,其接地电阻不应大于10欧。
22. 设计图纸中标高,除图中注明外,均以室内一层地坪为±0.000m计。管道的标高,除图中注明外,一般均指管道支架上平面标高,但与设备及附件的连接一般指管道中心标高。
23. 设计图纸中标高以米计,其余尺寸以毫米计。
24. 水平敷设的管道变径采用的异径管除注明处外,均采用偏心异径管(同底异径管),保持管底平齐。
25. 管道坡度 管道铺设应有坡度,坡度下倾方向一般均沿介质流动方向。一般采用坡度:真空 3/1000 ,气体4/1000 。
25. 小管径管道穿楼板、墙均未预留孔洞,可于施工现场打孔,所有管道穿楼板、墙时应加套管,位于穿楼板、墙处的管段不得有接头、焊缝、法兰等,管子与套管间的间隙应以不燃烧的软质材料填满。
26. 管道支架,支座及零件在除锈除污后刷防锈漆两道,灰色漆两道。
27. 管道安装设计原则
27.1 管道间距(指管道轴线间距离)一般规定为 :
27.2 未注明标高的管道,可根据具体情况酌情安装,以方便操作,利于检修和安全运行为度。
27.3 管道沿墙、柱铺设,管道轴线离墙或柱的距离按管径一般规定为:

根据本期工程管道配置状况,管架采用通用型式的管架,参照《管架标准图》(HG/T21629-1999)设计选型,并按以下施工:
根据本期工程管道配置状况,管架采用通用型式的管架,参照《管架标准图》(HG/T21629-1999)设计选型,并按以下施工:
27.4.1 华体会(中国)气体系统管道布置图中管架根部固定于梁、板、柱的,现场施工时采用膨胀螺钉固定生根安装。
27.4.2 华体会(中国)气体输送管道的安装支架应采用不燃烧材料制作并经防腐处理,管道与支吊架的接触处应作绝缘处理。
27.4.3 管卡(托)选用原则:管道在管架上的固定均采用A1型管卡;不锈钢管卡管架间应加橡胶垫片或不锈钢板。
27.4.4 管道支架间距一般不大于下表规定:

28.管道的连接方式
28.1 除设备接口外所有钢管采用焊接连接。
28.2 管道的焊接
28.2.1 管道的连接均采用焊接,铜管与钢管之间连接采用银钎焊,焊丝型号为HAG-45B,铜管与铜管之间连接采用氮气保护焊,焊丝型号为S201,不锈钢管之间连接采用氩弧焊焊接,焊丝型号H0Cr21Ni10,焊件坡口V型,技术要求按《现场设备、工业管道焊接工程施工规范》GB/50236-2011;
28.2.2 焊缝坡口应符合现行国家标准GB/T985《气焊、手工电弧焊及气体保护焊焊缝坡口的基本形式与尺寸》及GB/T986《埋焊焊缝坡口的基本形式与尺寸》的规定。
28.2.3 本装置管道焊接结构应按GB50316-2000《工业金属管道设计规范》(2008版)的规定。
28.2.4 两条对接焊缝间的距离不应小于3倍焊件的厚度且公称直径小于50mm的管道,焊缝间距不宜小于50mm。公称直径大于或等于50mm的管道,焊缝间距不宜小于100mm。
28.2.5 管道的环焊缝不宜设在管托的范围内。
28.2.6 不宜在管道焊缝及边缘上开孔与接管。
28.2.7 管道的管道的安装焊缝不应设在支吊架处,焊缝离支吊架边缘不得小于100毫米,最好在两支吊架间1/5~1/10。
29. 医气管道焊缝的无损检测应符合下列规定:

29.1 不锈钢材质华体会(中国)气体管道的检验:检查等级应不低于《压力管道规范工业管道》GB/T20801.5-2006中规定的III级;对管道的对接环缝、角焊缝以及支管连接焊缝进行100%目视检查,并应符合《压力管道规范工业管道》GB/T20801.5-2006中表2规定的III级;对管道的支管连接焊缝进行10%的磁粉或渗透探伤,并不应低于《承压设备无损检测》NB/T47013-2015中的规定的I级合格标准;对管道的对接环缝进行10%的射线探伤,并按《承压设备无损检测》NB/T47013-2015《承压设备无损检测》中规定的III级为合格标准。
29.2 焊缝射线照相合格率应为100%,每条焊缝补焊不应超过2次,当射线合格率低于80%时,除返修不合格焊缝外,还应按照射线照相比例增加检测。
30. 管道试压及吹扫
30.1 华体会(中国)气体管道均用压缩空气座压力试验,氧气管道试验压力为1.35MPa,压缩空气管道试验压力为1.35MPa,真空吸引管道试验压力为0.20MPa。管道做气压试验时,压缩空气必须是无油脂和干燥的。所有管道做气压试验时应装有压力泄放装置,其设定压力不得高于1.1倍的试验压力。
30.2 应按以下步骤进行气压试验:
30.2.1 管道做气压试验前应采用空气进行预试验,预试验的压力为0.2MPa。
30.2.2 试验时应逐级缓慢增加压力,当压力升至试验压力的50%时,应进行初始检查,如未发现异常或泄露,继续按试验压力的10%逐级升压(每级应有足够的保压时间以平衡管道的应变),直至达到规定的试验压力。华体会(中国)气体管道压力试验应维持试验压力至少10min,管道应无泄漏、外观无变形为合格。
三、华体会(中国)气体工程设备材料与规格


四、华体会(中国)气体工程设计图例

五:华体会(中国)气体工程管道设备连接图

六:华体会(中国)气体工程管道压力报警器和二级减压箱施工安装图

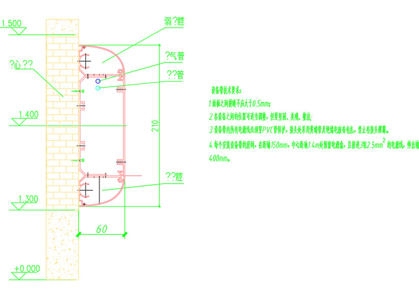
七:华体会(中国)气体工程病房设备带安装大样图


华体会(中国)气体工程病房设备带技术要求:
1.面板之间拼缝不应大于0.5mm;
2.各设备之间的位置可适当调整,但要坚固、美观、整洁;
3.设备带内所有电源线必须穿PVC管保护,接头处采用黄蜡管及绝缘电胶布包扎,禁止有接头裸露。
4.每个安装设备带的房间,在距墙150mm,中心距地1.45m处预留电源盒,且接进3组2.5mm²的电源线,伸出墙400mm。